10+ Rk24 Tractor Diagram


Rural King Rk24 Hydrostatic Manuals Manualslib


Tractors Rk24 Series Tractor Rk Tractors


X590 54 In Deck X500 Select Series Lawn Tractor John Deere Us


Tractors Rk24 Series Tractor Rk Tractors


Tractors Rk24 Series Tractor Rk Tractors


Tractor 1973 Raider 10 12 Om Wiring Revised Pdf 1973 1977 Redsquare Wheel Horse Forum


Tractors Tym


Parts Service Rk Tractors


Tractors Rk24 Series Tractor Rk Tractors


2019 Unverified Rural King Rk24h 4wd Utility Tractor In Fulks Run Virginia United States Salvagesale Item 9204076


Rural King Rk24 Hydrostatic Tractor Operator S Manual Manualslib


Deutz Fahr Mower Km24 Parts Diagram E Parts Information Deutz Fahr Westlake Plough Parts


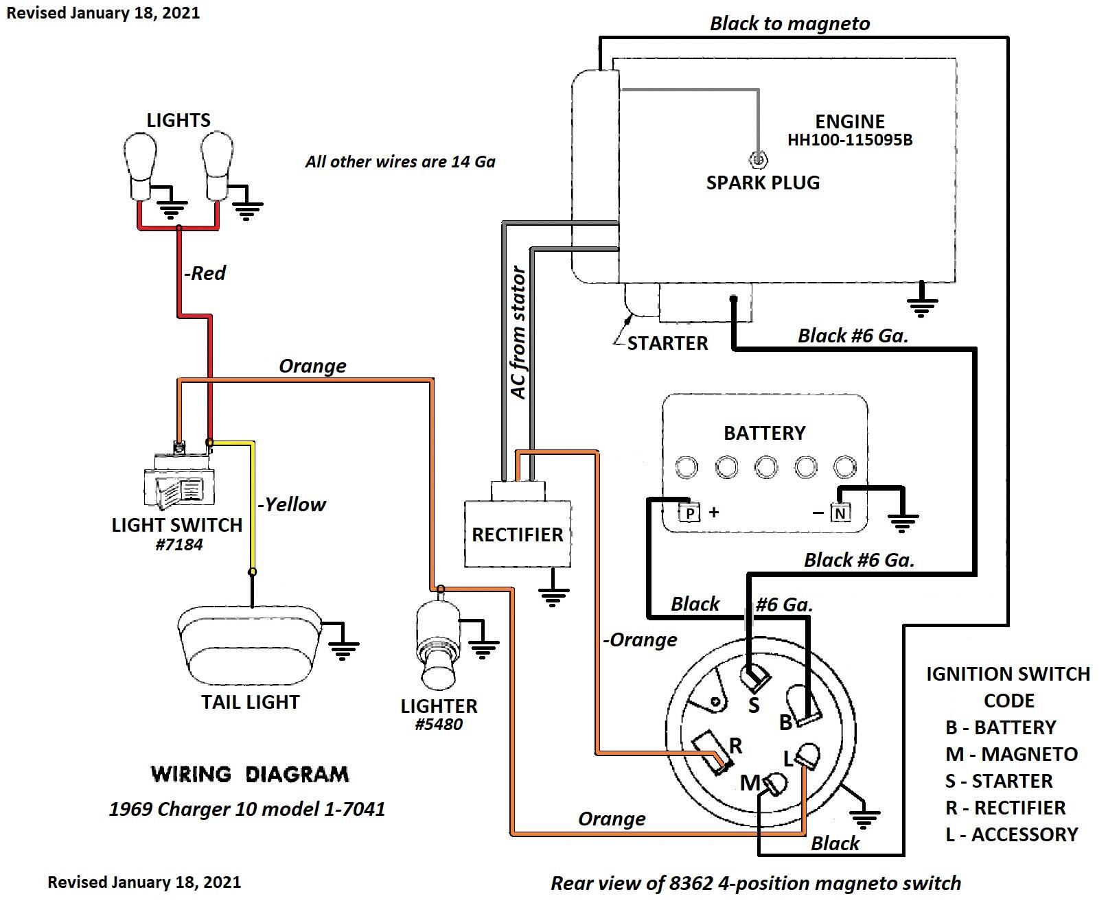
Tractor 1969 Charger 10 D A Om Ipl Wiring Rev Sn Pdf 1965 1972 Redsquare Wheel Horse Forum


Tractor 1987 418 8 418 A Wiring Only Pdf 1985 1990 Redsquare Wheel Horse Forum


Tractors Tym


Wiring Diagram 24 Volt System Serial No 10k1 To 10k2404 Inclusive D6c Track Type Tractor Avspare Com


Rk24h Tractor Rk Tractors


Tractors Rk24 Series Tractor Rk Tractors

Iklan Atas Artikel

Iklan Tengah Artikel 1

Iklan Tengah Artikel 2

Iklan Bawah Artikel